
product center

妖精视频黄色网站大全回转支承(Q系列)——无齿型
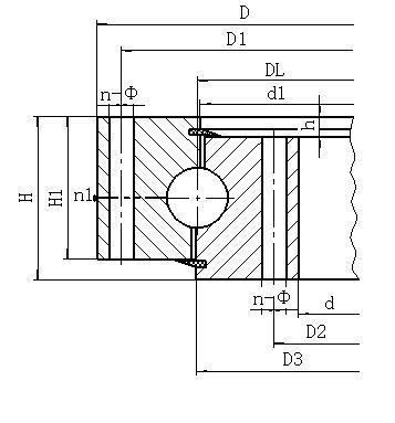
结构特点、性能、适用范围
妖精视频黄色网站大全回转支承由两个座圈组成,结构紧凑,重量轻,钢球与圆弧滚道四点接触,能同时承受轴向力,径向力和倾翻力矩,回转式输送机,焊接操作机,中小型起重机和挖掘机等工程机械均可选用。
序号
型号
外形尺寸
安装孔尺寸
结构
无齿式
H
Du
Dn
n
通孔A
螺孔B/C/D
n1油杯
h
D
d
φ
d1
T
mm
mm
mm
1
QU.315.20
408
222
60
370
260
10
17
M16
24
2
10
QU.315.20A
2
QU.355.20
448
262
60
410
300
10
17
M16
24
2
10
QU.355.20A
3
QU.400.20
493
307
60
455
345
12
17
M16
24
2
10
QU.400.20A
4
QU.450.20
543
357
60
505
395
12
17
M16
24
2
10
QU.450.20A
5
QU.500.20
593
407
60
555
445
14
17
M16
24
2
10
QU.500.20A
6
QU.560.20
656
464
70
618
502
14
17
M16
30
2
10
QU.560.20A
7
QU.630.20
726
534
70
688
572
16
17
M16
30
2
10
QU.630.20A
8
QU.710.20
806
614
70
768
652
18
17
M16
30
2
10
QU.710.20A
9
QU.800.20
896
704
70
858
742
20
17
M16
30
2
10
QU.800.20A
10
QU.800.25
908
692
78
864
736
18
22
M20
36
2
10
QU.800.25A
11
QU.900.25
1008
792
78
964
836
20
22
M20
36
2
10
QU.900.25A
12
QU.1000.25
1108
892
78
1064
936
24
22
M20
36
2
10
QU.1000.25A
13
QU.1000.32
1124
876
90
1074
926
24
24
M22
40
2
10
QU.1000.32A
14
QU.1120.32
1244
996
90
1194
1046
28
24
M22
40
4
10
QU.1120.32A
15
QU.1250.32
1374
1126
90
1324
1176
32
24
M22
40
4
10
QU.1250.32A
16
QU.1400.32
1524
1276
90
1474
1326
36
24
M22
40
4
10
QU.1400.32A
17
QU.1250.40
1394
1108
102
1336
1164
32
26
M24
45
4
12
QU.1250.40A
18
QU.1400.40
1544
1258
102
1486
1314
36
26
M24
45
4
12
QU.1400.40A
19
QU.1600.40
1744
1458
102
1686
1514
40
26
M24
45
4
12
QU.1600.40A
20
QU.1800.40
1944
1658
102
1886
1714
44
26
M24
45
4
12
QU.1800.40A
21
QU.1600.50
1766
1434
124
1704
1496
40
30
M27
50
4
12
QU.1600.50A
22
QU.1800.50
1966
1634
124
1904
1696
44
30
M27
50
4
12
QU.1800.50A
23
QU.2000.50
2166
1834
124
2104
1896
48
30
M27
50
6
12
QU.2000.50A
24
QU.2240.50
2406
2074
124
2344
2136
54
30
M27
50
6
12
QU.2240.50A
25
QU.2500.50
2666
2334
124
2604
2396
60
30
M27
50
6
12
QU.2500.50A
26
QU.2500.60
2696
2304
150
2626
2374
60
33
M30
56
6
14
QU.2500.60A
注:
尺寸
数量
1、n1为润滑油孔数,均布:油杯M10×1 JB/T7940.1-JB/T7940.2
2、安装孔n-Φ可改用螺孔;齿宽b可改为H-h。
3、表内齿轮圆周力为大圆周力,额定圆周力取其1/2。